
| 用于生活熱水供應 | 30-90℃ |
| 用于采暖、中央空調供暖 | 40-100℃ |
| 用于除氧器等生產工藝過程 | 80-110℃ |
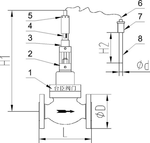
| 材 質 | 閥體:球鐵、鑄鋼、不銹鋼 | |
| | 閥桿閥芯:304 不銹鋼 | |
| | 感溫包:304 不銹鋼 | |
| 公稱通徑 | 螺紋(15-65)mm、法蘭(15-200)mm | |
| 公稱壓力 | 1.6-2.5MPa | |
| 工作溫度 | -20-350℃ | |
| 溫控范圍 | 28℃-110℃ | |
| 導管長度 | 標配 3.2 米(定制 5-12 米) | |
| 適用介質 | 蒸汽、熱水、熱油 | |
| 控制精度 | ± 2℃(循環系統) ± 5℃(無循環) | |
| 閥桿密封 | 石墨、四氟、壓塞 V 型高溫組件 |
| 材 質 | 閥體:球鐵、鑄鋼、不銹鋼 | ![]() |
| | 閥桿閥芯:304 不銹鋼 | |
| | 感溫包:304 不銹鋼 | |
| 公稱通徑 | 法蘭(15-200)mm(螺紋訂制) | |
| 公稱壓力 | 1.6-2.5MPa | |
| 工作溫度 | -20-350℃ | |
| 溫控范圍 | 28℃-110℃ | |
| 導管長度 | 標配 3.2 米(定制 5-12 米) | |
| 適用介質 | 水、油、冷卻液、制冷劑 | |
| 控制精度 | ± 2℃ | |
| 閥桿密封 | 石墨、四氟、壓塞 V 型高溫組件 |
| 材 質 | 閥體:球鐵、鑄鋼、不銹鋼 | ![]() |
| | 閥桿閥芯:304 不銹鋼 | |
| | 感溫包:304 不銹鋼 | |
| 公稱通徑 | 25-200mm | |
| 公稱壓力 | 1.6-2.5MPa | |
| 工作溫度 | -10-180℃ | |
| 溫控范圍 | 28℃-90℃ | |
| 導管長度 | 標配 3.2 米(定制 5-12 米) | |
| 適用介質 | 冷水、熱水、蒸汽 | |
| 控制精度 | ± 2℃ | |
| 閥桿密封 | 石墨、四氟、壓塞 V 型高溫組件 |




